PRODUCT
-
H形鋼 開先加工機
- 小型(エコノミー)タイプ
- - HT-Series
- - HMS-Series
- 中型機
- - HQB-Series
- 大型機
- - HGS-Series
-
平板鋼 開先加工機
- 小型(エコノミー)タイプ
- - HF-Series
- 中型機
- - FX-Series
- 汎用機
- - FV(K)-Series
-
コラム 開先加工機
- 開先加工機
- - KP-Series
-
その他
- フェーシングマシン
- - FMA-Series
コラム 開先加工機
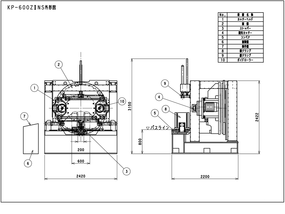
KP-Series
特徴
- 外径倣い方式で安定した加工精度を実現
- 2カッター方式で加工時間を大幅に短縮
- NCサーボ搭載による自動定寸機能で飛躍的な寸法精度
- 集中制御方式で全操作を一括管理
- 特殊クランプで安定した高速切削を実現
- 丸パイプの加工も可能
| 型式 | KP-600ZⅡN* | KP-800ZⅡN* | ||
|---|---|---|---|---|
| 適用寸法(mm) | A | 200~600 | 200~800 | |
| B | 200~600 | 200~800 | ||
| T | 9~28 | 9~32 | ||
| 加工能力(mm) | C | θ=35° | 28 | 32 |
| θ=45° | 20 | 22 | ||
| カッター軸数(本) | 2 | |||
| 主軸用電動機(kW) | 7.5 | 11 | ||
| 油圧電動機(kW) | 7.5 | |||
| 面盤回転電動機(kW) | 3.0(サーボモーター) | 1.5 | ||
| 機械寸法(mm) | 2,420×2,200×3,150 *7 | 3,795×2,598×3,035 *7 | ||
| 機械重量(kg) | 8,500 *7 | 10,500 *7 | ||
*印部 S:標準型 L:ライン型(片端連続自動運転) W:ライン型(両端連続自動運転)
*7 型式:ZⅡ-Lの寸法、重量です。
*外径寸法=1500mmまでの対応機を製作しております。
| 型式 | KP-600ZⅡN* | ||
|---|---|---|---|
| 適用寸法(mm) | A | 200~600 | |
| B | 200~600 | ||
| T | 9~28 | ||
| 加工能力(mm) | C | θ=35° | 28 |
| θ=45° | 20 | ||
| カッター軸数(本) | 2 | ||
| 主軸用電動機(kW) | 7.5 | ||
| 油圧電動機(kW) | 7.5 | ||
| 面盤回転電動機(kW) | 3.0(サーボモーター) | ||
| 機械寸法(mm) | 2,420×2,200×3,150 *7 | ||
| 機械重量(kg) | 8,500 *7 | ||
*印部 S:標準型 L:ライン型(片端連続自動運転) W:ライン型(両端連続自動運転)
*7 型式:ZⅡ-Lの寸法、重量です。
*外径寸法=1500mmまでの対応機を製作しております。
| 型式 | KP-800ZⅡN* | ||
|---|---|---|---|
| 適用寸法(mm) | A | 200~800 | |
| B | 200~800 | ||
| T | 9~32 | ||
| 加工能力(mm) | C | θ=35° | 32 |
| θ=45° | 22 | ||
| カッター軸数(本) | 2 | ||
| 主軸用電動機(kW) | 11 | ||
| 油圧電動機(kW) | 7.5 | ||
| 面盤回転電動機(kW) | 1.5 | ||
| 機械寸法(mm) | 3,795×2,598×3,035 *7 | ||
| 機械重量(kg) | 10,500 *7 | ||
*印部 S:標準型 L:ライン型(片端連続自動運転) W:ライン型(両端連続自動運転)
*7 型式:ZⅡ-Lの寸法、重量です。
*外径寸法=1500mmまでの対応機を製作しております。
機械外形寸法図
※製品の仕様は予告なく変更になる場合がございます。ご了承下さい。














